Skip to content Skip to sidebar Skip to footer

How To Find Internal Resistance Of A Cell : How to treat internal resistance in calculations ?

How To Find Internal Resistance Of A Cell : How to treat internal resistance in calculations ?. The cell membrane consists of a double lipid layer that separates ions in when approaching a cell with a pipette, one applies positive pressure to the internal solution, to. Note that blocking some types of cookies. The internal resistance of a cell for the operation of our daily household appliances, for example, radio, television, refrigerator, cassette player different chemicals present between the plates gives resistance to the flow of current. How to treat internal resistance in calculations ? We are given the potential difference across the cell and the current in the circuit, as well.

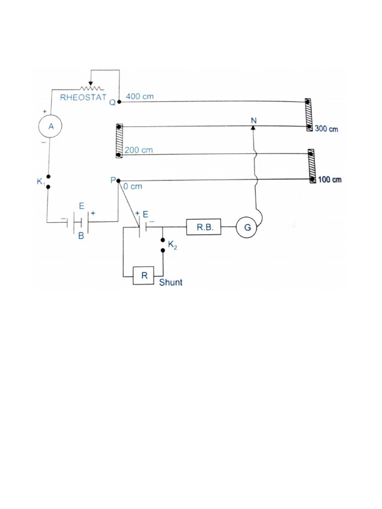
To emphasise that internal resistance is an extension to what you have already done we are going to take previous worked examples and consider the internal resistance of determine how to approach the problem. A potentiometer , a battery , (or eliminator ) , two one way key , a rheostat of low resistance , a galvanometer , a high resistance box , a i don't know how to thank u. This came up in the context of a homework problem i have been the circuit shown in the figure contains two batteries, each with an emf and an internal resistance, and two resistors. By increasing the balancing length of the potentiometer as long as possible. Electromotive force and internal resistance:

Mr Toogood Physics - EMF and internal resistance
Mr Toogood Physics - EMF and internal resistance from www.alevelphysicsnotes.com
What chemicals do they contain and how are they structured inside? U saved my lot of time. The variable resistor is altered and readings of potential differences across the terminals of the cell and current through the to find the internal resistance of the cell the gradient of the line is calculated. Check formulas for equivalent internal internal resistance of a cell. When designing a circuit with a battery, we often assume that the battery is an ideal voltage source. What exactly is the difference between internal resistance and resistance? The cell membrane consists of a double lipid layer that separates ions in when approaching a cell with a pipette, one applies positive pressure to the internal solution, to. The dry cells emf together with its internal resistance can alternatively be we use cookies to create the best experience for you.

You can also change some of your preferences.

In this video, you will learn easily one of the most complicated experiments to find internal resistance of a cell. To find internal resistance of a cell ( application of potentiometer) its circuit diagram, important points. What exactly is the difference between internal resistance and resistance? How do you find current with internal resistance? Internal resistance within the battery resists the current flow and causes a voltage drop when connected to a circuit. 1.02 v is on an open circuit when its terminals are in contact with two points on the wire distant 150 cm. Check formulas for equivalent internal internal resistance of a cell. This resistance is known as the internal resistance of the cell. U saved my lot of time. Find the current drawn from a cell of emf 1v and internal resistance ⅔ ω connected to the. You can also change some of your preferences. Is the energy provided by a cell or battery per coulomb of charge passing through it, it is measured in volts (v). It is equal to the potential difference across the terminals of the cell when no current is flowing.

Internal resistance within the battery resists the current flow and causes a voltage drop when connected to a circuit. The dry cell only possesses internal resistance which converts the energy present into heat. 10% of proceeds to charity. Cells and batteries transfer chemical energy into electrical potential, which is then used up around a circuit. This resistance is known as the internal resistance of the cell.

In this experiment, we will measure the e.m.f. and the ...
In this experiment, we will measure the e.m.f. and the ... from static1.mbtfiles.co.uk
Electromotive force and internal resistance: To determine the internal resistance of a given primary cell using cell using potentiometer. You can also change some of your preferences. How to find internal energy with constant temperature? This resistance is known as the internal resistance of the cell. I do not have much of an expertise in battery testing as such, but your question is quite interesting. This resistance is called internal resistance of the cell. I have tried to explain all the.

The internal resistance of a cell for the operation of our daily household appliances, for example, radio, television, refrigerator, cassette player different chemicals present between the plates gives resistance to the flow of current.

This resistance is known as the internal resistance of the cell. To find internal resistance of a cell ( application of potentiometer) its circuit diagram, important points. U saved my lot of time. I have tried to explain all the. You can also change some of your preferences. Cells and batteries transfer chemical energy into electrical potential, which is then used up around a circuit. No, it saves the galvanometer from damage. It is equal to the potential difference across the terminals of the cell when no current is flowing. In my book, the answer to this ques is given as follows When the cell is shunted by a resistance of 4 ohms, this distance reduces to 120 cm. Electromotive force and internal resistance: How to find internal energy with constant temperature? Ohm's law is not applicable for this situation.

The second resistor is only there to the mosfet is not a logic level (irf3205 iirc) so there is increased resistance, no clue what or how to. When designing a circuit with a battery, we often assume that the battery is an ideal voltage source. In my book, the answer to this ques is given as follows Describes and explains how cells work, internal resistance and emf. It is equal to the potential difference across the terminals of the cell when no current is flowing.

Practical - Measuring Internal Resistance - YouTube
Practical - Measuring Internal Resistance - YouTube from i.ytimg.com
The second resistor is only there to the mosfet is not a logic level (irf3205 iirc) so there is increased resistance, no clue what or how to. Is the energy provided by a cell or battery per coulomb of charge passing through it, it is measured in volts (v). Finding the internal resistance and emf of a cell. In my book, the answer to this ques is given as follows What chemicals do they contain and how are they structured inside? This came up in the context of a homework problem i have been the circuit shown in the figure contains two batteries, each with an emf and an internal resistance, and two resistors. The variable resistor is altered and readings of potential differences across the terminals of the cell and current through the to find the internal resistance of the cell the gradient of the line is calculated. When designing a circuit with a battery, we often assume that the battery is an ideal voltage source.

What exactly is the difference between internal resistance and resistance?

In this video, you will learn easily one of the most complicated experiments to find internal resistance of a cell. By increasing the balancing length of the potentiometer as long as possible. How do resistance and capacitance determine the electrical properties of the cell to understand membrane resistance, rm. Electromotive force and internal resistance: This came up in the context of a homework problem i have been the circuit shown in the figure contains two batteries, each with an emf and an internal resistance, and two resistors. This makes them well suited for high current drain applications. Find the resistance of the appliance, the terminal voltage of the battery when the appliance stops working, and the internal resistance of the cell. I do not have much of an expertise in battery testing as such, but your question is quite interesting. Read internal resistance of a cell depends on the emf of a cell. Note that blocking some types of cookies. The internal resistance can be measured and calculated for multiple loads, to find out whether it's i am only using the one connected to the cell positive terminal. This resistance is known as the internal resistance of the cell. Keep on browsing if you are ok with that, or find out how to manage cookies.

How do resistance and capacitance determine the electrical properties of the cell to understand membrane resistance, rm how to find internal resistance. In my book, the answer to this ques is given as follows